Ticker

6/recent/ticker-posts

Advertisement

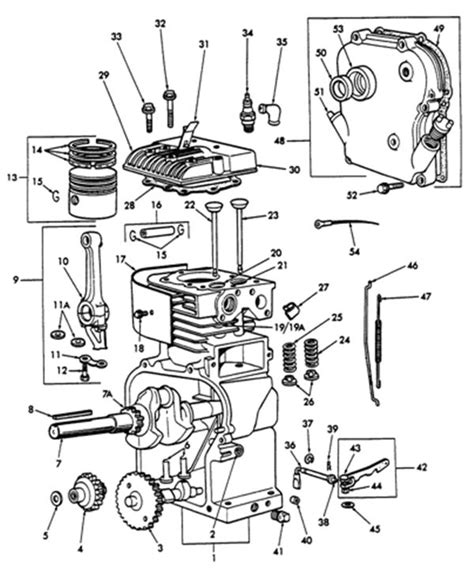
PDF Briggs And Stratton 135 Hp Engine Manual

At present you are looking regarding an Briggs And Stratton 135 Hp Engine Manual example of which we provide here inside some type of document formats like as PDF, Doc, Power Point, and in addition images of which will make it easier for you to create an Briggs And Stratton 135 Hp Engine Manual yourself. For a more clear look, you may open a few examples below. All of the good examples about Briggs And Stratton 135 Hp Engine Manual about this site, we get from a number of sources so you can create a better document of your own.

When the search you get here does not match up what you are searching for, please make use of the search feature that we possess provided here. You are free to download anything that we provide in this article, expense cost you the slightest.

DOWNLOAD HERE

Everybody knows that reading Briggs And Stratton 135 Hp Engine Manual is helpful, because we can get enough detailed information online through the reading materials. Technologies have developed, and reading Briggs And Stratton 135 Hp Engine Manual books might be far more convenient and much easier. We could read books on the mobile, tablets and Kindle, etc. Hence, there are numerous books being received by PDF format.

Below are some websites for downloading free PDF books where you can acquire the maximum amount of knowledge as you desire. Nowadays everybody, young and older, should familiarize themselves with the growing eBook business. Ebooks and eBook visitors provide substantial benefits above traditional reading. Ebooks slice down on the employ of paper, as advocated by environmental enthusiasts. There are no fixed timings for study. There is usually no question of waiting-time for new editions. There is no transportation to be able to the eBook shop. The particular books in a eBook store can be downloaded instantly, sometimes for free, sometimes for a fee.

Not merely that, the online variation of books are typically cheap, because publication homes save their print in addition to paper machinery, the advantages of which are given to to customers. Further, the reach of the eBook shop is immense, permitting an individual living in Australia to source out to be able to a publication house inside Chicago. The newest phenomenon in the online eBook world is actually are referred to as eBook libraries, or eBook packages. An eBook package deal is something unusual. It consists of a large number of ebooks bundled together that are not really readily available at one individual place. So instead of hunting down and purchasing, say 100 literary timeless classics, you can buy an eBook package deal which contains all these kinds of ebooks bundled together. These eBook libraries typically offer a substantial savings, in addition to are usually offered inside many different formats to suit your brand of eBook reader. Large companies, such as Amazon or Barnes and Noble, tend to not really carry these eBook your local library. If you want to be able to buy one of these your local library, you will have to be able to search out independent eBook stores. These independent eBook stores typically package the eBook libraries by genre, in addition to have a lot of genres.